Swing Mount Tandem Brake and Offset Clutch Pedal Assembly
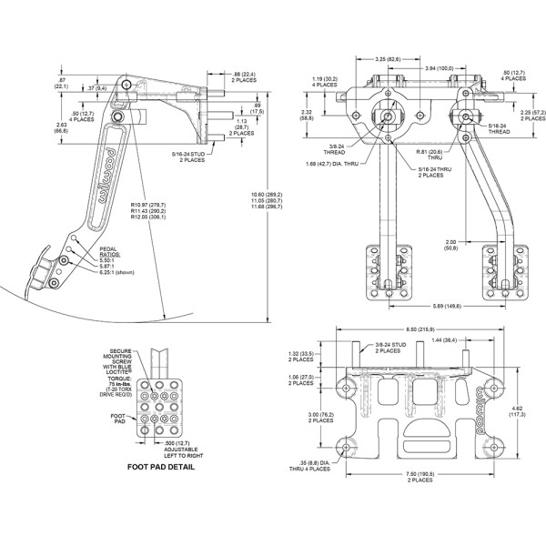
Engineered for precise pedal feel and adjustability, this swing mount assembly features an adjustable ratio brake pedal paired with an offset clutch pedal. The pedal head can be set to 5.50, 5.88, or 6.25:1 ratios, allowing the driver to fine-tune pedal effort and response. Both pedals are equipped with non-skid waffled pads, which can be laterally adjusted from 5 to 7 inches on center for personalized spacing.
Constructed from lightweight aluminum with a durable black E-coat finish, the assembly utilizes reinforced I-beam style forged pedal arms for high strength and minimal flex. The pin and clevis pushrod attachment system ensures bind-free operation throughout the pedal travel.
The clutch pedal is compatible with a 2.25-inch vertical mount flange single outlet master cylinder. The brake pedal is designed for a 3.25-inch horizontal mount flange tandem master cylinder (master cylinders sold separately in various styles and bore sizes).
- Material: Aluminum
- Finish: Black E-coat
- Mount Location: Swing (forward facing)
- Pedal Ratios: Adjustable 5.5–6.25:1 (both pedals)
- Lateral Pedal Pad Adjustment: 5–7 inches on center
- Balance Bar: Not included
- Master Cylinder Compatibility:
- Clutch: 2.25" vertical mount flange, single outlet
- Brake: 3.25" horizontal mount flange, tandem
Vehicle Compatibility
| Brand | Model | Generation / Chassis | Engine |
|---|---|---|---|
| Universal | - | - | - |
WILWOOD
Wilwood 340-16833 Swing Mount Tandem Brake and Clutch Pedal
Tags: Default Category|Braking system and wheels||Default Category|Braking system and wheels|Pedalbox,
This product has universal fitment.

