Wilwood Dynalite Single IIIA Caliper
The Wilwood Dynalite Single IIIA is engineered for compact, high-performance braking applications, ideally suited for snowmobiles, motorcycles, and other OEM projects requiring lightweight stopping power. Manufactured from cast aluminium with a permanent mold process, this caliper delivers impressive rigidity and durability while weighing just 2.0 lbs.
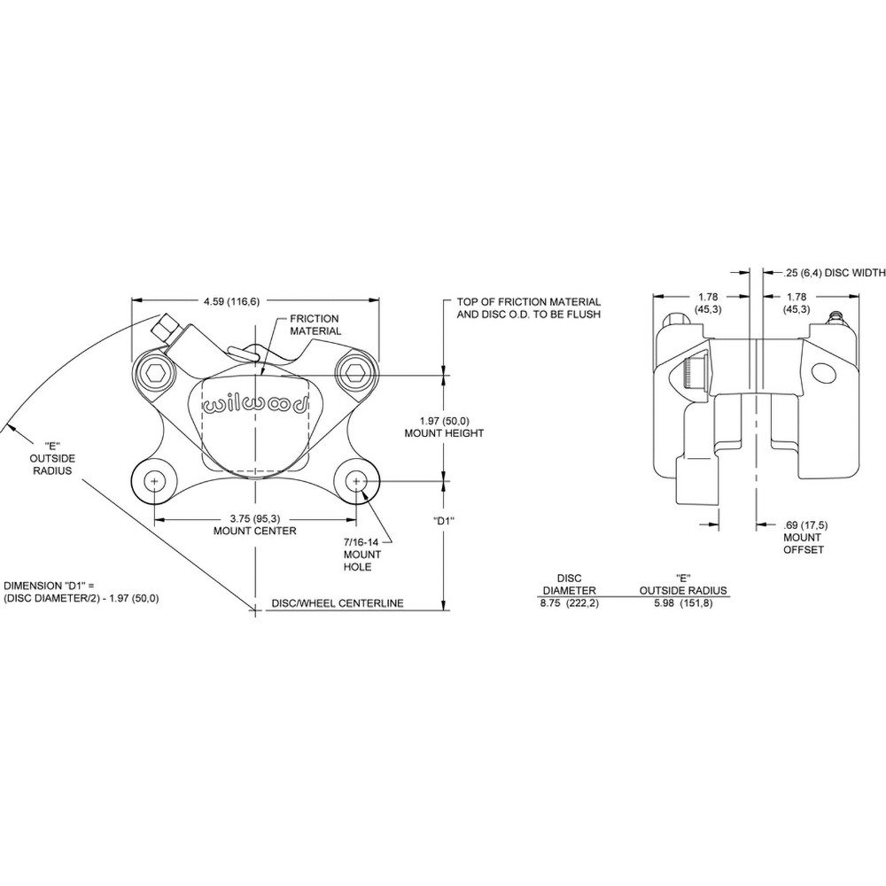
- Piston Configuration: 2 stainless steel pistons, total area 2.40 in², 1.75 in bore
- Pad Area: 3 in², pad volume 1.1 in³
- Compatible Brake Pads: Wilwood 6812, 7012
- Rotor Compatibility: Width 0.25 in (min 0.18 in, max 0.25 in), diameter 6.00–13.00 in
- Mounting: Lug mount, universal mount side, 3.75 in mount center, 0.39 in mount hole size, 1.92 in mount height, 3/8-24 inlet thread
- Finish: Type III anodize for corrosion resistance and durability
- Dust Boot: Not included
This caliper is designed for enthusiasts and builders who demand a balance of weight savings, strength, and reliable performance in compact braking systems. All specifications are based on Wilwood’s advanced design for precise fitment and consistent braking response.
Vehicle Compatibility
| Brand | Model | Generation / Chassis | Engine |
|---|---|---|---|
| Universal | - | - | - |
WILWOOD
Wilwood 120-3842 Dynalite Single IIIA Universal Lug Mount Caliper 2 Pistons
-
- Brand: WILWOOD
- Product id: 78525
- MPN: WIL-120-3842
- Availability: In Stock
- 117.79€
115.44€
- Excl. VAT: 95.40€
Tags: Default Category|Braking system and wheels||Default Category|Braking system and wheels|Calipers,

