Wilwood MC4 Mechanical Parking Brake Caliper – Left Hand, Black Powder Coat
The Wilwood MC4 Mechanical Parking Brake Caliper is a cable-operated, floating caliper designed as a dedicated mechanical parking brake solution for custom builds, motorsports, and street applications that require a separate, mechanically actuated caliper. This model is configured for left-hand mounting and finished in a durable black powder coat.
Key Features
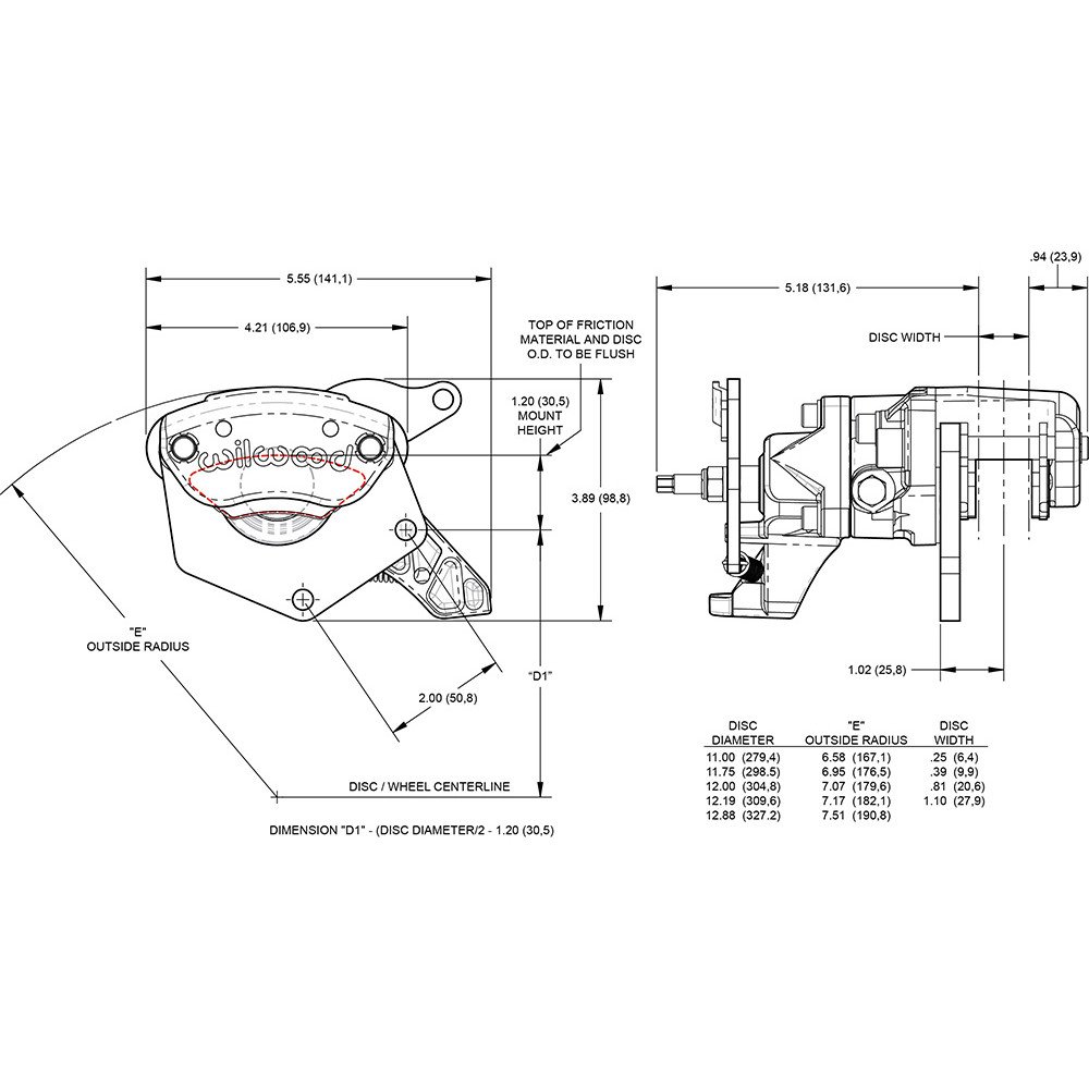
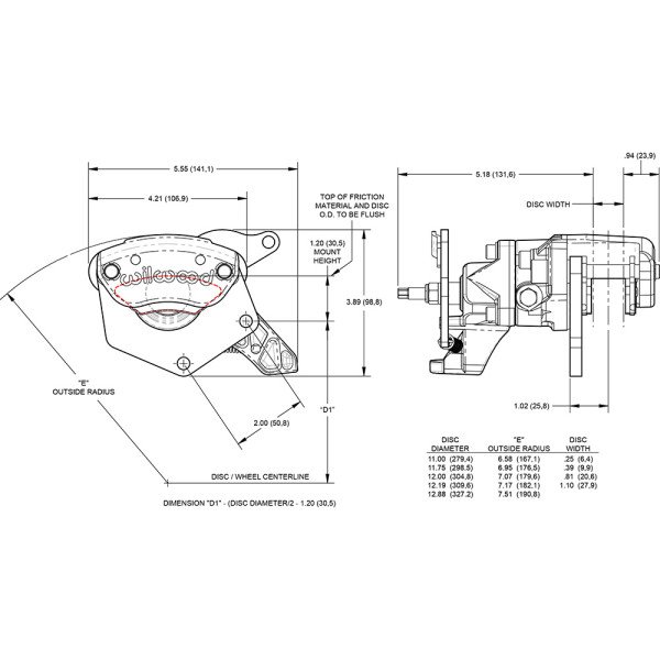
- Single-piston design with a 1.19" aluminum piston, total piston area of 1.11 in²
- Cast aluminum body with forged billet anvil for strength and low weight (3.3 lbs with pads, 2.95 lbs without pads)
- Fully dust-booted piston for protection against moisture and debris
- Includes high-friction Composite Metallic (CM) brake pads (Pad Type: 6407), pad area: 1.7 in², pad volume: 0.26 in³
- Pre-fitted with noise-canceling shields and cable return spring
- Manual adjuster for pad and rotor wear compensation—no special tools required
- Steel mounting bracket included; mount center: 2.00" (hole size: 0.67")
- Lever cartridge can be clocked in three positions for cable routing flexibility
- Accepts .310" diameter barrel-ended parking brake cable (not included)
Rotor Compatibility
- Recommended rotor width: 0.81"
- Compatible rotor width range: 0.70" – 0.81"
- Rotor diameter range: 11.00" – 14.00"
Mounting
- Mount Type: Floating
- Mount Side: Left Hand
- Mount Center: 2.00"
- Mount Hole Size: 0.67"
Specifications
- Material: Cast Aluminum
- Finish: Black powder coat, brake fluid resistant
- Weight: 3.3 lbs (with pads)
- Piston Count: 1
- Piston Bore: 1.19"
- Pad Type: 6407
Included
- MC4 Mechanical Parking Brake Caliper – Left Hand
- Composite Metallic (CM) pads pre-installed
- Noise-canceling shields
- Steel mounting bracket
- Cable return spring
Designed for enthusiasts who require a dedicated, mechanically actuated parking brake caliper with reliable performance, easy installation, and straightforward adjustment. Suitable for custom, motorsport, and street use where a separate parking brake is needed.
Vehicle Compatibility
| Brand | Model | Generation / Chassis | Engine |
|---|---|---|---|
| Universal | - | - | - |
WILWOOD
Wilwood 120-15354 MC4 Mechanical Floating Mount Caliper Left 1 Piston Black
-
- Brand: WILWOOD
- Product id: 78560
- MPN: WIL-120-15354-BK
- Availability: In Stock
- 240.03€
235.23€
- Excl. VAT: 194.40€
Tags: Default Category|Braking system and wheels||Default Category|Braking system and wheels|Calipers,

